371b0523d5dt
Logg inn
0
Hjem
Nettbutikk
Logg inn
X
Møbelbeslag
Hengsler
Kopphengsler
Tiomos Skruversjon
Tiomos Hurtigmontering
Tiomos Festeplater
Nexis Click-On Hengsler
Nexis Impresso
Nexis Click-On Festeplater
Nexis Click-On Dempere/tilbehør
Nexis Tipmatic /plus
SSP
Nexis Slide-On Festeplater
Salice Hengsler
Salice Festeplater
Rustfritt
G3000/ Twist-Lock
G900
Klaffhengsler
Single-Joint
Minihengsler Ø26mm
Hafele Aximat
Jigger/ Maler
Campingvogn og Bobil
Bordhengsler
Glassdørhengsler
Innboringshengsler
Innfresingshengsler
Kanthengsler
Lifthengsler
Pianohengsler
Pinhengsler
Push-to-open
GRASS Nexis
Hafele Duomatic
Spesialhengsler
Skinner og Skuffer
GRASS Dynaneo
Dynaneo21 Soft-Close Fulluttrekk
Dynaneo Braketter
GRASS DynaPRO
DynaPRO Sofclose/Tipmatic
DynaPRO Bunnmontert
DynaPRO Braketter
GRASS NovaPRO
Skuffesider Scala
Skuffesider Classic
Skuffesider Deluxe
Skinner Softclose/ Tipmatic
Skinner Softclose
Reiling
Braketter og Fester
Skuffeinnredning
Spirit
Stabiliseringsstag
Tipmatic
GRASS Vionaro
Skuffesider H=89mm
Skuffesider H=185mm
Tilbehør for standard skuff
Tilbehør for innenforliggende skuff
Jigger og verktøy
Emuca Silver
Vertex Skuffesider
Vertex Komplettskuff
Vertex Reiling og Frontpanel
Kuleuttrekk
17mm
27mm
35mm
45mm
50mm
53mm
55mm
56mm med lås
76mm
70,8mm
Rulleuttrekk
Rustfritt
Pulverlakkert Deluttrekk
Pulverlakkert Fulluttrekk
Hybridskinner
Dempere/ Utkastere
Høylast Skinner
Høyskaputtrekk
Tastaturuttrekk
Displayuttrekk
Front- /Justerfester
GRASS Jigger/ Maler
GRASS Sensomatic
GRASS Unigrass
Hafele Moovit
Kontorsystemer
Garderobe
Stenger og Fester
Rund Ø25mm
Emuca LUXE
Oval 15 x 30mm
Rund Ø28mm
MOKA Serie
Uttrekk
Nedtrekk
Hyller
Kroker og Knagger
Skoskap
Skittentøykurver
Hafele Dresscode
Borduttrekk
Bordbeslag
Bordben/ Møbelben
Barkonsoller
Bordben
Bordunderstell
Glideføtter
Kommodeben
Møbelben
Sokkelben
Stillesko og Sokkeljusterere
Kjøkken, Skapinnredning
Avfallssystemer
For Benkeplate
For Hengslet dør
For Skuff
For montering m/ Møbelfront
Åpningsautomatikk
Hjørneløsninger
Høyskaputtrekk
Standard
For hengslet dør
Håndkleuttrekk
Liftbeslag
Overskapløsninger
Skuffeinnsatser
Tallerkenhyller
Trådkurver/ Wireuttrekk
Underskapløsninger
Kjøkken, Tilbehør
Diverse
Glasskuffer
Kjøleskap
Reling
Strømuttak
Søyler
Sengebeslag
Dekkapper/ -propper
For Huller
For Pzd
For Torx
Selvklebende
Skruer, Bolter og Muttere
Møbelbolter
Sylindermutter
Iskruings-/ Islåingsmuttere
Pyntehoder
Senkhodeskrue Pzd
HI-LO
HTB
Senkhodeskrue Pzd Hospa
Senkhodeskrue Torx
Senkodeskrue Hospa Rustfri
Panhodeskrue Pzd
Euro/ Systemskruer
Kombiskrue/ Grepsskrue
Flangeskrue
Muttere og Skiver
Breddebolter
Gjengestang
Bladskruer
Dyvler
Gips/ Veggplugger
Sentrumstapper
Pre-limte
Standard
Skåter og Strammebeslag
Magnetlåser /latcher/ utkastere
Magnetlås
Sneppert
Utkaster m/magnet
Utkaster u/magnet
Hyllebærere
For Glasshyller
For huller Ø3 til Ø7mm
For skjult montering
Greiholdere
Stiftmontering
Supportbeslag
Låser
BMB Sylinderlåser
Anslag/ Sluttstykker
Låssylindere
Låser/ Låskasser
Sentrallåskomponenter
Glassdørlåser
Espagnolettlåser
Diverse
Elektroniske Låser
Gammel stil
Garderobeskaplås
Hafele Sylinderlåser
Kodelåser
Skrinlåser
Trykknapplåser
For Campingvogn og Bobil
Hafele Symo
Låser og tilbehør
Låssylindre
Opphengsbeslag
Kabelgjennomføringer/ -ordnere
For hull Ø60mm
For hull Ø80mm
Kabelordnere
Kvadratiske/ Rektangulær
Forbindelsebeslag
Benkeplatebeslag
Keku
Minifix
Rafix/ Onefix/ Tofix
Skrogsamlebeslag
Forbindelsesselementer
Domino
Hoffmann
Lamello
Dreieskiver
Hjul og Trinser
Jalousiedører
Aluminium
Kunststoff
Tre
Kantbånd
Melamin u/lim
Tre m/lim
Tre u/lim
Plastprofiler
Pocketdørbeslag
Rammedørbeslag
Downlight/ belysning
12V Halogen Downlights
12V Halogen Lamper
12V Trafo for Halogen
LED Downlights
12V
24V
350mA
LED Garderobebelysning
LED Glasshyller
LED Lamper
LED Lister
LED Skuffebelysning
LED Strips
ALU-profiler
12V Strips
24V Strips
Ledninger/klips
LED Trafo/ tilbehør
Pærer, kabler og tilbehør
Bad
Tilbehør for skapdører
Anslag/ Stoppere
Dørdempere
Dørholdere
Topphengslet dør
Bunnhengslet dør
For Kasselokk
Gassfjærer
Snepperter/ Latcher
Tredetaljer
Konsoller
TV-Lifter og Fester
Vinkler og Likejern
Oppvaskkummer og Blandebatterier
Butikkinnredning
Elektronikk
Mobilladere
Diverse
Skjærende Verktøy
Sirkelsagblader
Byggsagblader
Ø85mm
Ø120mm
Ø136mm
Ø140mm
Ø150mm
Ø160mm
Ø165mm
Ø168mm
Ø170mm
Ø185mm
Ø190mm
Ø200mm
Ø210mm
Ø216mm
Ø225mm
Ø230mm
Ø250mm
Ø260mm
Ø270mm
Ø300mm
Ø305mm
Ø315mm
Ø350mm
Ø360mm
Ø400mm
Ø450mm
Ø500mm
Kwiksaw
Industrisagblader
PCD Diamantblader for Tre
Ø120mm
Ø125mm
Ø140mm
Ø150mm
Ø160mm
Ø165mm
Ø170mm
Ø180mm
Ø190mm
Ø200mm
Ø210mm
Ø216mm
Ø250mm
Ø260mm
Ø275mm
Ø280mm
Ø300mm
Ø303mm
Ø305mm
Ø315mm
Ø330mm
Ø350mm
Ø355mm
Ø370mm
Ø380mm
Ø400mm
Ø420mm
Ø430mm
Ø450mm
Ø500mm
Ø520mm
Ø550mm
Ø650mm
Forriss
Dado Breddejusterbar
HSS blader for Metall
Sagbruk/ Vedkapp
Kjøttsagblader
Sagbladforinger
Brukte Sagblader
Båndsagblader
Tannspissherdet for Tre
Lengde 1.000 - 1.999mm
Lengde 2.000 - 2.999mm
Lengde 3.000 - 3.999mm
Lengde 4.000 - 4.999mm
Lengde 5.000 - 5.999mm
Lengde 6.000 - 6.999mm
Ruller
Bånd for Kjøtt
Bimetall M42 Cobolt
Tannspissherdet for Metall
Bølgebåd for Mineralull
Makita Originalblader
Verktøy for Bordfres og Moulding
Skapdørverktøy
Fyllings-/ Frisfres
Ramtreverktøy
HM/ HSS skjær Fink
HM skjær Sistemi
HM skjær Freud
HM skjær Stark
Grepsprofil
SP Profilsystem
Norcut Profiler
Blanketter for profilering
Standardprofiler
SP-Kuttere
Sett Kutter m/profiler
Rillestålsystem
Blanketter for profilering
Rillestålkuttere
Rillestålprofiler
TB-90 System
Dør- og Vindusverktøy
Komplette verktøy
Reserveskjær
Profilfresere
Reserveskjær
Komplette verktøy
Not- og Falsfresere
Rettkuttere
FINK QuickBlock
Fasfresere
Verktøy for Kantlimere
Shims og Mellomringer
Spindel d=30mm
Spindel d=35mm
Spindel d=40mm
Spindel d=45mm
Spindel d=50mm
Spindel d=60mm
HM Standardvendeskjær
HM Blanketter for profilering
HM Profilskjær
Skruer og Reservedeler
Hydrohylser
Diverse
Verktøy for CNC-maskiner
HM Spiral Slettfresere
Z-1 Upcut
Z-1 Downcut
Z-2 Upcut
Z-2 Downcut
Z-3 Upcut
Z-3 Downcut
Z-2+2 Up-/Downcut
Z-1+1 Up-/Downcut
Z-4 Upcut
For PVC/ Aluminium
HM Skrubbfresere
Z-2 Downcut
Z-2 Upcut
Z-3 Downcut
Z-3 Upcut
Z-4 Upcut
Diamant Skrubbfresere
Diamant Slettfreser
HSS Notfreser
Innstikksverktøy
Profilfresere
Vendeskjærsverktøy
Skapdørverktøy
Verktøyholdere
Tornado
Spennhylsechucker
Spindelholdere
Inntrekkstapper
Chucknøkler
Forlengere
Monteringsjigger
Spindler
Renseverktøy
Spennhylser
Momentnøkler
Clamex
Måleutstyr
Notskiver med tange
Brukte CNC-verktøy
Verktøy for Håndoverfres
Tange 6mm
Notfresere
Avrundingsfresere
Kantfresere
Fasfresere
Profilfresere
Hulkilfresere
V-Notfresere
Tange 6,35mm - 1/4''
Avrundingsfresere
Tange 8mm
Notfresere
Kantfresere med lager
Notskiver
Planfresere
Avrundingsfresere
Fasfresere med lager
Fasfresere uten lager
Falsfresere med lager
Profilfresere
Skapdørverktøy
Halvstaffresere
Hulkilfresere
Sinkfresere
V-Notfresere
Relieffresere
Innstikksfresere
Vannbåren varme-fres
T-Not fresere
Tange 9,5mm
Tange 10mm
Tange 12mm
Notfresere
Kantfresere
Gradfresere
V-Not fresere
Hulkilfresere
Kulefresere
Halvstaffresere
Profilfresere
Falsfresere
Fasfresere
Avrundingsfresere
Vannbåren varme-fresere
Planfresere
Skapdørverktøy
Tange M10 x 1,5mm Scheer
Tange M12 x 1mm
Tange 1/2''UNC x 20
Tange Festool
Kulelager, skruer og skiver
Overganger og Splitthylser
Fresebord og jigger
Høvelkniver
Barke
Bruck
Centrofix/ Centrostar
Centrolock
Esta
For Håndhøvler
Innstillingsverktøy
Standard HM Kniver
Standard HSS Kniver
Terminus
Tersa
Bor
HSS og SP Bor
Kunstbor
Wavecutter
Forstnerbor
Standard Spiralbor
Bor med 6-kant feste
Bor med Senterspiss og Forskjær
Bor med Forsenker
Festool Originalbor
Bor for Aluminium/ PVC
Pilotbor
Borforlengere
HM Bor for Tre
Lengde 35mm s=6
Lengde 57mm s=8
Lengde 38,5mm s=10
Lengde 57mm s=10
Lengde 70mm s=10
Lengde 90mm s=10
Lengde 125-160mm s=10/13/16
For Blum Eco-Drill
Profilbor
Massive HM Bor
HM Borkroner
Sentrumstappbor
L=57,5 s=10
L=70 s=10
L=85 s=10
L=105 s=10
For Gjennomboring s=10
For Mafell
Massiv HM
Forsenkere
Borholdere
Spunsefresere
Forsenkere
Trinnbor
Firkantstembor
Stillbare bor
Sneglebor
Innstallasjonsbor
Langhullsbor
Dybdestoppere
Hammerbor
HM bor for fliser etc.
Bor-sett
Hullsager
Bi-metall
Holdere og Bor
Hullsager
Easy Cut
GRIT
Karat
PRO-FIT
Holdere og senterbor
Hullsager Standard
Hullsager Lang modell
Hullsagsett
Utstyr/ Tilbehør
Stikk-/ Bajonettsagblader
Bajonettsagblader
Stikksagblader
Diamantverktøy metall
Diamantverktøy Stein/Betong/Flis
Tørrkappblader
Blader for Flisemaskiner
Asfalt/ Betong/ Granitt Kappeblader
Gulvslipeskiver
Flisebor
Kjernebor
Blader for Steniplater og Glassfiber
Huggerkniver
Kappe-/ Slipeskiver
Makita
Merryland
Novo Abrasive
Kjernebor for metall
Stemmerkniver
Verktøy for Aluminium
Verktøy for dreibenk
Verktøy for Lamello/Mafell
Verktøy for Multimaskiner
Extrem QuickLOCK
Extrem Supercut/Festool
Extrem Universal
Fein Starlock
Fein Supercut
Imperial Multimaster
Imperial Supercut/ Festool
MPS Starlock
Skyve-/ Foldedørbeslag
Foldedør
Gulv til tak
Hafele T-Snap
Koblenz 700/710
Møbel
Hawa Multifold
Hafele Slido Fold
Emuca Twofold
Skyvedør
Gulv til tak/ Garderobe
Emuca Placard 81
Hafele Aluflex
Hawa Divido
EKU Porta
Hafele Slido
Hettich STB
Indaux Junior 2
Indaux Junior 6
Koblenz 1010/ 1011
Koblenz 1040/50/80
Koblenz 105/ 110/ 120
Koblenz 1700 Glass
Koblenz Exterus
Møbel
Emuca Plus
Koblenz 310
Hafele Clipo
Hafele Hangar
HTB
Koblenz 1500 Glass
Koblenz 1800/ 1900 Glass
Koblenz 300
Koblenz 320
Hafele Trola
Hafele Infront
Skyvedør i vegg
Koblenz 400/ 450
Koblenz 500
Koblenz 500 ABS
Koblenz 600 ABS
Skyvedør på vegg
Utendørs
Tilbehør
Knotter og Grep
Knotter, metall
Knotter, Glass
Knotter, tre og porselen
Relinggrep
Bøylegrep, Metall
Bøylegrep Glass
Bøylegrep, Porselen
Bøylegrep, Tre
Bøylegrep Plastik
Skyvedørsgrep
Glassdørgrep
Grepslister
Hengegrep
Kjøpmannsgrep
Leppegrep
Lærgrep
Løftegrep
Byggbeslag
Barinnredning
Beslag for glass
Bibliotekstigesystem
Dørholdere/ stoppere
Dørlukkere
Dørvridere og låser
Dørvridere
Innfellingslåser
Låskasser/ Sluttblikk
Skyvedørlåser
Hasper/Skåter/ Espagnoletter
Hengsler
Innboringshengsler
Innfresingshengsler
Kanthengsler
Saloondørhengsler
Hyllebraketter og Konsoller
Luftegitter
Rekkverkfester
Sanitærbeslag
Dusjbeslag
Skruer for utebruk
Senkhode Torx
Tetningslister
Veggoppheng
Lim og Overflatebehandling
2-komponent Acryl-lim
Dynea Urea
Finèrtape
Formtre
Fugemasse
Kontaktlim
Limpåføringsutstyr
Maskering
Mitre Mate Hurtiglim
Polyurethan
PVAC Hvitlim
Smeltelim
Smøremidler
Sparkel
Sår-lim
Tape
UV-Lim
Voks, Shellakk og Olje
Slipematriell
Papir på rull
Standard
Borrelås
Skumgummirygg
Free Dust
Lerret på rull
Rondeller
Ø125
Ø150
Ø180
Ø225
Minirondeller
Mellompad
Pader
Rektangulære papir
102 x 114mm
70 x 125mm
70 x 396mm
81 x 133mm
93 x 230mm
For Deltasliper
Universal 83x83mm
Bånd L=300-1.000mm
B=100/102mm
B=13mm
B=30mm
B=40mm
B=60mm
B=64mm
B=75mm
B=9mm
Bånd L=1.001-2.000mm
B=100mm
B=150mm
Bånd L=2.001-3.000mm
B=150mm
B=40mm
B=90mm
Bånd L=6.001-7.000mm
Bånd L=7.001-8.000mm
Bredbånd
B=1.110
B=1.120
B=640
Fiberdisc
Flapdiscer
Svamper og Pader
Slipeklosser/-utstyr
Slipe- og Lamellstifter
Slipeskiver
Borazonskiver
Diamantskiver
For Benkesliper
Filt- og Tøyskiver
Bryner
Fein
Deltaslipepapir
Rondeller
Festool
Deltasliper
Rektangulært 80 x 133mm
Rondell Ø125
Rondell Ø150
Rondell Ø225
Rondell Ø90
Hardmetallfiler
Håndbørster
Roterende børster
Elektroverktøy/ Maskiner
Borejigger
Bosch
Reservedeler
DeWalt/ ELU
Driller
Reservedeler
Håndoverfres
Reservedeler
Sager
Reservedeler
Slipemaskiner
Reservedeler
Støvsuger
Poser
Draco
Reservedeler
Fein
Multimaster Verkøy
Niblere
Oscillerende Maskiner
Reservedeler/ verktøy
Maskiner
Slipeutstyr
Starlock Verktøy
Supercut Verktøy
Festool
Arbeidsbord
Diverse
Domino
Reservedeler
Elementer
Maskiner og Tilbehør
Drill
Bits og -holdere
Reservedeler/ Tilbehør
Maskiner
Centrotek bor
Føringsskinner
Høvel
Reservedeler
Modulsystem
Overfres
Reservedeler
Maskiner
Tilbehør
Sager
Kapp/gjæresager
Skinnesager
Stikksager
Bordsager
Reservedeler
Slipemaskiner
Reservedeler
Maskiner
Tilbehør/ Forbruk
Støvsuger
Reservedeler
Poser og Filter
Tilbehør
Maskiner
Systainer
Hitachi/ Hikoki
Reservedeler
Hoffmann
Lamello
Clamex/ Fixo
Reservedeler
Makita
Bager
Batterier/ Ladere
Borhammer
Reservedeler
Maskiner
Tilbehør
Driller
Reservedeler
18V Borskrutrekker
18V Muttertrekker
Tilbehør
12V Slagskrutrekker
Fugepistoler
Rekvisita/ Reservedeler
Gipsfres
Tilbehør
Høvler
Reservedeler og Forbruk
Maskiner
Håndoverfres
Reservedeler
Tilbehør
Krampe-/ Dykkertpistoler
Tilbehør og Forbruk
Lamellmaskiner
Reservedeler
Laser
Multimaskiner
Reservedeler
Tilbehør/ Verktøy
Nibblere
Reservedeler og verktøy
Radio
Reservedeler
Sager
Reservedeler
Bajonettsager
Håndsirkelsager
Pendelstikksager
Bordsager
Skinner og tilbehør
Skog og Hage
Gresstrimmer
Kjede-/Motorsager
Skruautomater
Reservedeler
Forbruk
Slipemaskiner
Reservedeler
Tilbehør
Støvsuger
Tilbehør/ Res.deler
Poser og Filter
Systainere/ Kufferter
Vinkelslipere
Reservedeler
Matehjul
Maxrite
SAIT
Eksenterslipemaskin
Tilbehør
Vertex
Maskinhendler
Virutex
Hjørnefresmaskin
Høvler
Reservedeler
Maskiner
Håndoverfres
Reservedeler
Maskiner
Kantfresemaskiner
Reservedeler
Maskiner
Kantlimemaskiner, håndholdte
Reservedeler
Maskiner
Kantlimemaskiner, stasjonære
Reservedeler
Låsstemmaskin
Reservedeler
Maskiner
Sager
Reservedeler
Tappemaskiner
Vaccum bord
Håndverktøy
Baufilsagblader
Bits
Bits Pzd
Bits Robertson
Bits Torx
Bitsholdere
Bits-sett
Hammer
Huggjern/Stemjern/Huljern
Håndsager
Håndtverkerutstyr
Blyanter
Brekkjern
Ekspansjonsstenger
Gulvlegging
Hansker/ Beskyttelse
Lastestropper
Løfteverktøy
Oppbevaring
Speil
Borejigger
Kanttrimmere
Kniver og Treskjæring
Måleverktøy
Pipenøkkelsett
Skrutrekkere
Sett
Syl
Torx m/hull
Tenger og sakser
Tvinger
Ekspansjonstvinger
Fjærklemmer
Hurtigtvinger
Kanttvinger
Limtvinger
Model F
Model K
Model M og MM
Piher Maxipress
Maxipress F
Maxipress R
Maxipress Tilbehør
Piher Parallelltvinger
Rektangeltvinger
Skinnetvinger
Skrustikker
Tre-tvinger
Vinkelklemmer
Unbraco- / Torxnøkler
Vaccuumbærere
Vaccuumtvinger
Vater
Verneutstyr
Støvmasker/ avsug
Vernebriller
Vinkler
Kjemi/ Hygiene
Antibac-dispensere
Smøre- og Skjæremiddel
Tilbehør for Bordfres
Vacuum Holdere for CNC
Padsmore
Biesse
Holz-Her
SCM
Universal
Schmalz
Klippemaskiner
Andis
Klippeskjær
Reservedeler
Lister
Klippeskjær
Reservedeler
Oster
Klippeskjær
Reservedeler/ Tilbehør
Wahl
Klippeskjær
Tannlege/ Tannteknikk
Diamantstrips
Roterende Verktøy
Diamant Slipestifter
Diamantbor
Hardmetallbor
Hardmetallfresere
Slipestifter
Møbelbeslag
\
Pocketdørbeslag
\
Pocketdørbeslag Accuride 1319 400mm
Møbelbeslag
Hengsler
Kopphengsler
Tiomos Skruversjon
Tiomos Hurtigmontering
Tiomos Festeplater
Nexis Click-On Hengsler
Nexis Impresso
Nexis Click-On Festeplater
Nexis Click-On Dempere/tilbehør
Nexis Tipmatic /plus
SSP
Nexis Slide-On Festeplater
Salice Hengsler
Salice Festeplater
Rustfritt
G3000/ Twist-Lock
G900
Klaffhengsler
Single-Joint
Minihengsler Ø26mm
Hafele Aximat
Jigger/ Maler
Campingvogn og Bobil
Bordhengsler
Glassdørhengsler
Innboringshengsler
Innfresingshengsler
Kanthengsler
Lifthengsler
Pianohengsler
Pinhengsler
Push-to-open
GRASS Nexis
Hafele Duomatic
Spesialhengsler
Skinner og Skuffer
GRASS Dynaneo
Dynaneo21 Soft-Close Fulluttrekk
Dynaneo Braketter
GRASS DynaPRO
DynaPRO Sofclose/Tipmatic
DynaPRO Bunnmontert
DynaPRO Braketter
GRASS NovaPRO
Skuffesider Scala
Skuffesider Classic
Skuffesider Deluxe
Skinner Softclose/ Tipmatic
Skinner Softclose
Reiling
Braketter og Fester
Skuffeinnredning
Spirit
Stabiliseringsstag
Tipmatic
GRASS Vionaro
Skuffesider H=89mm
Skuffesider H=185mm
Tilbehør for standard skuff
Tilbehør for innenforliggende skuff
Jigger og verktøy
Emuca Silver
Vertex Skuffesider
Vertex Komplettskuff
Vertex Reiling og Frontpanel
Kuleuttrekk
17mm
27mm
35mm
45mm
50mm
53mm
55mm
56mm med lås
76mm
70,8mm
Rulleuttrekk
Rustfritt
Pulverlakkert Deluttrekk
Pulverlakkert Fulluttrekk
Hybridskinner
Dempere/ Utkastere
Høylast Skinner
Høyskaputtrekk
Tastaturuttrekk
Displayuttrekk
Front- /Justerfester
GRASS Jigger/ Maler
GRASS Sensomatic
GRASS Unigrass
Hafele Moovit
Kontorsystemer
Garderobe
Stenger og Fester
Rund Ø25mm
Emuca LUXE
Oval 15 x 30mm
Rund Ø28mm
MOKA Serie
Uttrekk
Nedtrekk
Hyller
Kroker og Knagger
Skoskap
Skittentøykurver
Hafele Dresscode
Borduttrekk
Bordbeslag
Bordben/ Møbelben
Barkonsoller
Bordben
Bordunderstell
Glideføtter
Kommodeben
Møbelben
Sokkelben
Stillesko og Sokkeljusterere
Kjøkken, Skapinnredning
Avfallssystemer
For Benkeplate
For Hengslet dør
For Skuff
For montering m/ Møbelfront
Åpningsautomatikk
Hjørneløsninger
Høyskaputtrekk
Standard
For hengslet dør
Håndkleuttrekk
Liftbeslag
Overskapløsninger
Skuffeinnsatser
Tallerkenhyller
Trådkurver/ Wireuttrekk
Underskapløsninger
Kjøkken, Tilbehør
Diverse
Glasskuffer
Kjøleskap
Reling
Strømuttak
Søyler
Sengebeslag
Dekkapper/ -propper
For Huller
For Pzd
For Torx
Selvklebende
Skruer, Bolter og Muttere
Møbelbolter
Sylindermutter
Iskruings-/ Islåingsmuttere
Pyntehoder
Senkhodeskrue Pzd
HI-LO
HTB
Senkhodeskrue Pzd Hospa
Senkhodeskrue Torx
Senkodeskrue Hospa Rustfri
Panhodeskrue Pzd
Euro/ Systemskruer
Kombiskrue/ Grepsskrue
Flangeskrue
Muttere og Skiver
Breddebolter
Gjengestang
Bladskruer
Dyvler
Gips/ Veggplugger
Sentrumstapper
Pre-limte
Standard
Skåter og Strammebeslag
Magnetlåser /latcher/ utkastere
Magnetlås
Sneppert
Utkaster m/magnet
Utkaster u/magnet
Hyllebærere
For Glasshyller
For huller Ø3 til Ø7mm
For skjult montering
Greiholdere
Stiftmontering
Supportbeslag
Låser
BMB Sylinderlåser
Anslag/ Sluttstykker
Låssylindere
Låser/ Låskasser
Sentrallåskomponenter
Glassdørlåser
Espagnolettlåser
Diverse
Elektroniske Låser
Gammel stil
Garderobeskaplås
Hafele Sylinderlåser
Kodelåser
Skrinlåser
Trykknapplåser
For Campingvogn og Bobil
Hafele Symo
Låser og tilbehør
Låssylindre
Opphengsbeslag
Kabelgjennomføringer/ -ordnere
For hull Ø60mm
For hull Ø80mm
Kabelordnere
Kvadratiske/ Rektangulær
Forbindelsebeslag
Benkeplatebeslag
Keku
Minifix
Rafix/ Onefix/ Tofix
Skrogsamlebeslag
Forbindelsesselementer
Domino
Hoffmann
Lamello
Dreieskiver
Hjul og Trinser
Jalousiedører
Aluminium
Kunststoff
Tre
Kantbånd
Melamin u/lim
Tre m/lim
Tre u/lim
Plastprofiler
Pocketdørbeslag
Rammedørbeslag
Downlight/ belysning
12V Halogen Downlights
12V Halogen Lamper
12V Trafo for Halogen
LED Downlights
12V
24V
350mA
LED Garderobebelysning
LED Glasshyller
LED Lamper
LED Lister
LED Skuffebelysning
LED Strips
ALU-profiler
12V Strips
24V Strips
Ledninger/klips
LED Trafo/ tilbehør
Pærer, kabler og tilbehør
Bad
Tilbehør for skapdører
Anslag/ Stoppere
Dørdempere
Dørholdere
Topphengslet dør
Bunnhengslet dør
For Kasselokk
Gassfjærer
Snepperter/ Latcher
Tredetaljer
Konsoller
TV-Lifter og Fester
Vinkler og Likejern
Oppvaskkummer og Blandebatterier
Butikkinnredning
Elektronikk
Mobilladere
Diverse
Skjærende Verktøy
Sirkelsagblader
Byggsagblader
Ø85mm
Ø120mm
Ø136mm
Ø140mm
Ø150mm
Ø160mm
Ø165mm
Ø168mm
Ø170mm
Ø185mm
Ø190mm
Ø200mm
Ø210mm
Ø216mm
Ø225mm
Ø230mm
Ø250mm
Ø260mm
Ø270mm
Ø300mm
Ø305mm
Ø315mm
Ø350mm
Ø360mm
Ø400mm
Ø450mm
Ø500mm
Kwiksaw
Industrisagblader
PCD Diamantblader for Tre
Ø120mm
Ø125mm
Ø140mm
Ø150mm
Ø160mm
Ø165mm
Ø170mm
Ø180mm
Ø190mm
Ø200mm
Ø210mm
Ø216mm
Ø250mm
Ø260mm
Ø275mm
Ø280mm
Ø300mm
Ø303mm
Ø305mm
Ø315mm
Ø330mm
Ø350mm
Ø355mm
Ø370mm
Ø380mm
Ø400mm
Ø420mm
Ø430mm
Ø450mm
Ø500mm
Ø520mm
Ø550mm
Ø650mm
Forriss
Dado Breddejusterbar
HSS blader for Metall
Sagbruk/ Vedkapp
Kjøttsagblader
Sagbladforinger
Brukte Sagblader
Båndsagblader
Tannspissherdet for Tre
Lengde 1.000 - 1.999mm
Lengde 2.000 - 2.999mm
Lengde 3.000 - 3.999mm
Lengde 4.000 - 4.999mm
Lengde 5.000 - 5.999mm
Lengde 6.000 - 6.999mm
Ruller
Bånd for Kjøtt
Bimetall M42 Cobolt
Tannspissherdet for Metall
Bølgebåd for Mineralull
Makita Originalblader
Verktøy for Bordfres og Moulding
Skapdørverktøy
Fyllings-/ Frisfres
Ramtreverktøy
HM/ HSS skjær Fink
HM skjær Sistemi
HM skjær Freud
HM skjær Stark
Grepsprofil
SP Profilsystem
Norcut Profiler
Blanketter for profilering
Standardprofiler
SP-Kuttere
Sett Kutter m/profiler
Rillestålsystem
Blanketter for profilering
Rillestålkuttere
Rillestålprofiler
TB-90 System
Dør- og Vindusverktøy
Komplette verktøy
Reserveskjær
Profilfresere
Reserveskjær
Komplette verktøy
Not- og Falsfresere
Rettkuttere
FINK QuickBlock
Fasfresere
Verktøy for Kantlimere
Shims og Mellomringer
Spindel d=30mm
Spindel d=35mm
Spindel d=40mm
Spindel d=45mm
Spindel d=50mm
Spindel d=60mm
HM Standardvendeskjær
HM Blanketter for profilering
HM Profilskjær
Skruer og Reservedeler
Hydrohylser
Diverse
Verktøy for CNC-maskiner
HM Spiral Slettfresere
Z-1 Upcut
Z-1 Downcut
Z-2 Upcut
Z-2 Downcut
Z-3 Upcut
Z-3 Downcut
Z-2+2 Up-/Downcut
Z-1+1 Up-/Downcut
Z-4 Upcut
For PVC/ Aluminium
HM Skrubbfresere
Z-2 Downcut
Z-2 Upcut
Z-3 Downcut
Z-3 Upcut
Z-4 Upcut
Diamant Skrubbfresere
Diamant Slettfreser
HSS Notfreser
Innstikksverktøy
Profilfresere
Vendeskjærsverktøy
Skapdørverktøy
Verktøyholdere
Tornado
Spennhylsechucker
Spindelholdere
Inntrekkstapper
Chucknøkler
Forlengere
Monteringsjigger
Spindler
Renseverktøy
Spennhylser
Momentnøkler
Clamex
Måleutstyr
Notskiver med tange
Brukte CNC-verktøy
Verktøy for Håndoverfres
Tange 6mm
Notfresere
Avrundingsfresere
Kantfresere
Fasfresere
Profilfresere
Hulkilfresere
V-Notfresere
Tange 6,35mm - 1/4''
Avrundingsfresere
Tange 8mm
Notfresere
Kantfresere med lager
Notskiver
Planfresere
Avrundingsfresere
Fasfresere med lager
Fasfresere uten lager
Falsfresere med lager
Profilfresere
Skapdørverktøy
Halvstaffresere
Hulkilfresere
Sinkfresere
V-Notfresere
Relieffresere
Innstikksfresere
Vannbåren varme-fres
T-Not fresere
Tange 9,5mm
Tange 10mm
Tange 12mm
Notfresere
Kantfresere
Gradfresere
V-Not fresere
Hulkilfresere
Kulefresere
Halvstaffresere
Profilfresere
Falsfresere
Fasfresere
Avrundingsfresere
Vannbåren varme-fresere
Planfresere
Skapdørverktøy
Tange M10 x 1,5mm Scheer
Tange M12 x 1mm
Tange 1/2''UNC x 20
Tange Festool
Kulelager, skruer og skiver
Overganger og Splitthylser
Fresebord og jigger
Høvelkniver
Barke
Bruck
Centrofix/ Centrostar
Centrolock
Esta
For Håndhøvler
Innstillingsverktøy
Standard HM Kniver
Standard HSS Kniver
Terminus
Tersa
Bor
HSS og SP Bor
Kunstbor
Wavecutter
Forstnerbor
Standard Spiralbor
Bor med 6-kant feste
Bor med Senterspiss og Forskjær
Bor med Forsenker
Festool Originalbor
Bor for Aluminium/ PVC
Pilotbor
Borforlengere
HM Bor for Tre
Lengde 35mm s=6
Lengde 57mm s=8
Lengde 38,5mm s=10
Lengde 57mm s=10
Lengde 70mm s=10
Lengde 90mm s=10
Lengde 125-160mm s=10/13/16
For Blum Eco-Drill
Profilbor
Massive HM Bor
HM Borkroner
Sentrumstappbor
L=57,5 s=10
L=70 s=10
L=85 s=10
L=105 s=10
For Gjennomboring s=10
For Mafell
Massiv HM
Forsenkere
Borholdere
Spunsefresere
Forsenkere
Trinnbor
Firkantstembor
Stillbare bor
Sneglebor
Innstallasjonsbor
Langhullsbor
Dybdestoppere
Hammerbor
HM bor for fliser etc.
Bor-sett
Hullsager
Bi-metall
Holdere og Bor
Hullsager
Easy Cut
GRIT
Karat
PRO-FIT
Holdere og senterbor
Hullsager Standard
Hullsager Lang modell
Hullsagsett
Utstyr/ Tilbehør
Stikk-/ Bajonettsagblader
Bajonettsagblader
Stikksagblader
Diamantverktøy metall
Diamantverktøy Stein/Betong/Flis
Tørrkappblader
Blader for Flisemaskiner
Asfalt/ Betong/ Granitt Kappeblader
Gulvslipeskiver
Flisebor
Kjernebor
Blader for Steniplater og Glassfiber
Huggerkniver
Kappe-/ Slipeskiver
Makita
Merryland
Novo Abrasive
Kjernebor for metall
Stemmerkniver
Verktøy for Aluminium
Verktøy for dreibenk
Verktøy for Lamello/Mafell
Verktøy for Multimaskiner
Extrem QuickLOCK
Extrem Supercut/Festool
Extrem Universal
Fein Starlock
Fein Supercut
Imperial Multimaster
Imperial Supercut/ Festool
MPS Starlock
Skyve-/ Foldedørbeslag
Foldedør
Gulv til tak
Hafele T-Snap
Koblenz 700/710
Møbel
Hawa Multifold
Hafele Slido Fold
Emuca Twofold
Skyvedør
Gulv til tak/ Garderobe
Emuca Placard 81
Hafele Aluflex
Hawa Divido
EKU Porta
Hafele Slido
Hettich STB
Indaux Junior 2
Indaux Junior 6
Koblenz 1010/ 1011
Koblenz 1040/50/80
Koblenz 105/ 110/ 120
Koblenz 1700 Glass
Koblenz Exterus
Møbel
Emuca Plus
Koblenz 310
Hafele Clipo
Hafele Hangar
HTB
Koblenz 1500 Glass
Koblenz 1800/ 1900 Glass
Koblenz 300
Koblenz 320
Hafele Trola
Hafele Infront
Skyvedør i vegg
Koblenz 400/ 450
Koblenz 500
Koblenz 500 ABS
Koblenz 600 ABS
Skyvedør på vegg
Utendørs
Tilbehør
Knotter og Grep
Knotter, metall
Knotter, Glass
Knotter, tre og porselen
Relinggrep
Bøylegrep, Metall
Bøylegrep Glass
Bøylegrep, Porselen
Bøylegrep, Tre
Bøylegrep Plastik
Skyvedørsgrep
Glassdørgrep
Grepslister
Hengegrep
Kjøpmannsgrep
Leppegrep
Lærgrep
Løftegrep
Byggbeslag
Barinnredning
Beslag for glass
Bibliotekstigesystem
Dørholdere/ stoppere
Dørlukkere
Dørvridere og låser
Dørvridere
Innfellingslåser
Låskasser/ Sluttblikk
Skyvedørlåser
Hasper/Skåter/ Espagnoletter
Hengsler
Innboringshengsler
Innfresingshengsler
Kanthengsler
Saloondørhengsler
Hyllebraketter og Konsoller
Luftegitter
Rekkverkfester
Sanitærbeslag
Dusjbeslag
Skruer for utebruk
Senkhode Torx
Tetningslister
Veggoppheng
Lim og Overflatebehandling
2-komponent Acryl-lim
Dynea Urea
Finèrtape
Formtre
Fugemasse
Kontaktlim
Limpåføringsutstyr
Maskering
Mitre Mate Hurtiglim
Polyurethan
PVAC Hvitlim
Smeltelim
Smøremidler
Sparkel
Sår-lim
Tape
UV-Lim
Voks, Shellakk og Olje
Slipematriell
Papir på rull
Standard
Borrelås
Skumgummirygg
Free Dust
Lerret på rull
Rondeller
Ø125
Ø150
Ø180
Ø225
Minirondeller
Mellompad
Pader
Rektangulære papir
102 x 114mm
70 x 125mm
70 x 396mm
81 x 133mm
93 x 230mm
For Deltasliper
Universal 83x83mm
Bånd L=300-1.000mm
B=100/102mm
B=13mm
B=30mm
B=40mm
B=60mm
B=64mm
B=75mm
B=9mm
Bånd L=1.001-2.000mm
B=100mm
B=150mm
Bånd L=2.001-3.000mm
B=150mm
B=40mm
B=90mm
Bånd L=6.001-7.000mm
Bånd L=7.001-8.000mm
Bredbånd
B=1.110
B=1.120
B=640
Fiberdisc
Flapdiscer
Svamper og Pader
Slipeklosser/-utstyr
Slipe- og Lamellstifter
Slipeskiver
Borazonskiver
Diamantskiver
For Benkesliper
Filt- og Tøyskiver
Bryner
Fein
Deltaslipepapir
Rondeller
Festool
Deltasliper
Rektangulært 80 x 133mm
Rondell Ø125
Rondell Ø150
Rondell Ø225
Rondell Ø90
Hardmetallfiler
Håndbørster
Roterende børster
Elektroverktøy/ Maskiner
Borejigger
Bosch
Reservedeler
DeWalt/ ELU
Driller
Reservedeler
Håndoverfres
Reservedeler
Sager
Reservedeler
Slipemaskiner
Reservedeler
Støvsuger
Poser
Draco
Reservedeler
Fein
Multimaster Verkøy
Niblere
Oscillerende Maskiner
Reservedeler/ verktøy
Maskiner
Slipeutstyr
Starlock Verktøy
Supercut Verktøy
Festool
Arbeidsbord
Diverse
Domino
Reservedeler
Elementer
Maskiner og Tilbehør
Drill
Bits og -holdere
Reservedeler/ Tilbehør
Maskiner
Centrotek bor
Føringsskinner
Høvel
Reservedeler
Modulsystem
Overfres
Reservedeler
Maskiner
Tilbehør
Sager
Kapp/gjæresager
Skinnesager
Stikksager
Bordsager
Reservedeler
Slipemaskiner
Reservedeler
Maskiner
Tilbehør/ Forbruk
Støvsuger
Reservedeler
Poser og Filter
Tilbehør
Maskiner
Systainer
Hitachi/ Hikoki
Reservedeler
Hoffmann
Lamello
Clamex/ Fixo
Reservedeler
Makita
Bager
Batterier/ Ladere
Borhammer
Reservedeler
Maskiner
Tilbehør
Driller
Reservedeler
18V Borskrutrekker
18V Muttertrekker
Tilbehør
12V Slagskrutrekker
Fugepistoler
Rekvisita/ Reservedeler
Gipsfres
Tilbehør
Høvler
Reservedeler og Forbruk
Maskiner
Håndoverfres
Reservedeler
Tilbehør
Krampe-/ Dykkertpistoler
Tilbehør og Forbruk
Lamellmaskiner
Reservedeler
Laser
Multimaskiner
Reservedeler
Tilbehør/ Verktøy
Nibblere
Reservedeler og verktøy
Radio
Reservedeler
Sager
Reservedeler
Bajonettsager
Håndsirkelsager
Pendelstikksager
Bordsager
Skinner og tilbehør
Skog og Hage
Gresstrimmer
Kjede-/Motorsager
Skruautomater
Reservedeler
Forbruk
Slipemaskiner
Reservedeler
Tilbehør
Støvsuger
Tilbehør/ Res.deler
Poser og Filter
Systainere/ Kufferter
Vinkelslipere
Reservedeler
Matehjul
Maxrite
SAIT
Eksenterslipemaskin
Tilbehør
Vertex
Maskinhendler
Virutex
Hjørnefresmaskin
Høvler
Reservedeler
Maskiner
Håndoverfres
Reservedeler
Maskiner
Kantfresemaskiner
Reservedeler
Maskiner
Kantlimemaskiner, håndholdte
Reservedeler
Maskiner
Kantlimemaskiner, stasjonære
Reservedeler
Låsstemmaskin
Reservedeler
Maskiner
Sager
Reservedeler
Tappemaskiner
Vaccum bord
Håndverktøy
Baufilsagblader
Bits
Bits Pzd
Bits Robertson
Bits Torx
Bitsholdere
Bits-sett
Hammer
Huggjern/Stemjern/Huljern
Håndsager
Håndtverkerutstyr
Blyanter
Brekkjern
Ekspansjonsstenger
Gulvlegging
Hansker/ Beskyttelse
Lastestropper
Løfteverktøy
Oppbevaring
Speil
Borejigger
Kanttrimmere
Kniver og Treskjæring
Måleverktøy
Pipenøkkelsett
Skrutrekkere
Sett
Syl
Torx m/hull
Tenger og sakser
Tvinger
Ekspansjonstvinger
Fjærklemmer
Hurtigtvinger
Kanttvinger
Limtvinger
Model F
Model K
Model M og MM
Piher Maxipress
Maxipress F
Maxipress R
Maxipress Tilbehør
Piher Parallelltvinger
Rektangeltvinger
Skinnetvinger
Skrustikker
Tre-tvinger
Vinkelklemmer
Unbraco- / Torxnøkler
Vaccuumbærere
Vaccuumtvinger
Vater
Verneutstyr
Støvmasker/ avsug
Vernebriller
Vinkler
Kjemi/ Hygiene
Antibac-dispensere
Smøre- og Skjæremiddel
Tilbehør for Bordfres
Vacuum Holdere for CNC
Padsmore
Biesse
Holz-Her
SCM
Universal
Schmalz
Klippemaskiner
Andis
Klippeskjær
Reservedeler
Lister
Klippeskjær
Reservedeler
Oster
Klippeskjær
Reservedeler/ Tilbehør
Wahl
Klippeskjær
Tannlege/ Tannteknikk
Diamantstrips
Roterende Verktøy
Diamant Slipestifter
Diamantbor
Hardmetallbor
Hardmetallfresere
Slipestifter
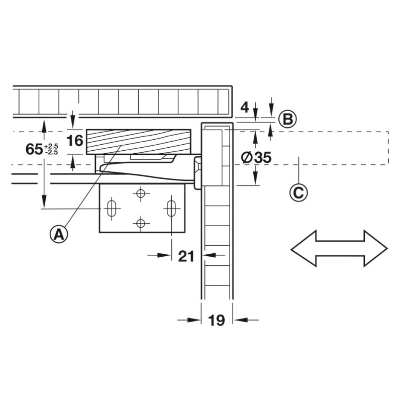
Pocketdørbeslag Accuride 1319 400mm
Art nr
:
408.07.403
:
1 392,50 inkl.mva
Størrelse
Farge
stk
Antall
1
2
3
4
5
6
7
8
9
10
11
12
13
14
15
16
17
18
19
20
21
22
23
24
25
26
27
28
29
30
31
32
33
34
35
36
37
38
39
40
41
42
43
44
45
46
47
48
49
50
51
52
53
54
55
56
57
58
59
60
61
62
63
64
65
66
67
68
69
70
71
72
73
74
75
76
77
78
79
80
81
82
83
84
85
86
87
88
89
90
91
92
93
94
95
96
97
98
99
100
Skriv inn nøkkelkoder:
Pris gjelder for beslag til 1 dørblad. Hengsler ikke inkludert. Mer info
HER
Anbefalte Produkter
Utvidet Beskrivelse
Produkt Anmeldelser
Andre har også handlet
Produktvideo
Skriv en produktanmeldelse
og del dine erfaringer med dette produktet med andre kunder.